Главная _
Вентилятор канальный Bahcivan BMFX-SL 150 в шумопоглощающем корпусе
Вентилятор канальный Bahcivan BMFX-SL 150 в шумопоглощающем корпусе
Описание:
- Серия вентиляторов Bahcivan BMFX относится к осевым вентиляторам.
- Данная серия специально разработана и применяется там, где необходим низкий уровень шума при большой протяженности вентиляционных каналов в местах их монтажа. В комплекте с вентилятором поставляется крепежный набор.
- Вентилятор изготовлен из пластика (модели BFMX 100 – BFMX 200), а у моделей BFMX 250 и BFMX 315 стальной корпус покрытый электростатической порошковой краской.
- Защита IP 44.
- Вентилятор можно устанавливать вертикально и горизонтально. Благодаря дизайну и эргономике монтируется в вентиляционные каналы.
- Скорость вентилятора регулируется при помощи специального регулятора.
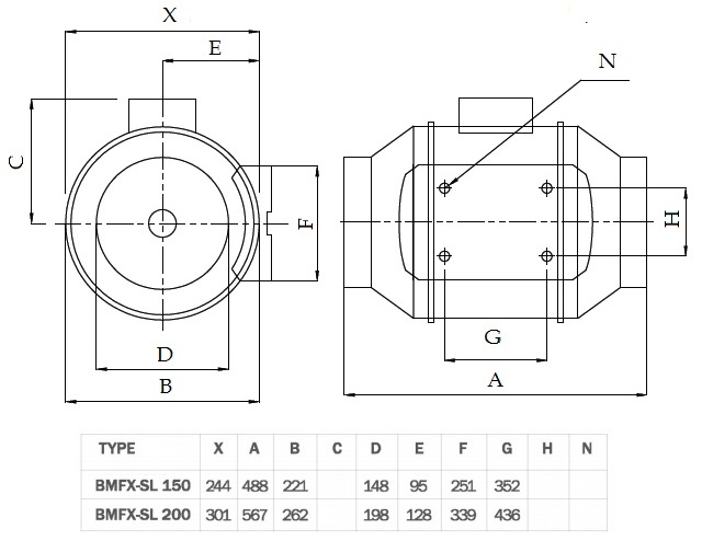
Характеристики:
Тип вентилятора - Канальный осевой
Диаметр - 150 мм
Производительность - 410/530 м3/ч
Мощность - 43/50 Вт
Уровень шума - 26/31 Дб
Особенность - Две скорости, Шумопоглощающий корпус
Цвет - Черный
Обратный клапан - Нет
Производитель - Bahcivan
Страна производства - Турция
| Производитель: | Bahcivan |
| Цвет: | белый красный черный |
Авторизуйтесь, чтобы оставить отзыв: Войти







